
При помощи своего проекта он хочет не только передавать энергию по всей планете без проводов, но с помощью этой системы он намерен вызывать дожди в пустыне, освещать небо над морскими маршрутами, питать энергией автомобили и самолёты, и даже осуществлять межпланетные коммуникации. Конечно, такой проект, требовал гораздо большего размах, чем выделил Морган, но это его не смущает, и он создаёт на острове Лонг-Айленд, в 60 метрах от Нью-Йорка он создаёт первую башню по названию местности Уорденклифф. С недостроенной башней он начинает фантастические эксперименты. Летом 1903 года башня на Лонг-Айленде едва не сводит с ума жителей Нью-Йорка, на сотни мир во все стороны от неё тянутся гигантские искусственные молнии. Они освещают небо над Атлантикой так, что можно читать газетные заголовки, что газета «New York San» пишет: «Прошлой ночью мы были свидетелями странных феноменов – гигантский молний, собственноручно испускаемых Теслой. Слои атмосферы воспламенились на разной высоте и на большой территории так, что ночь моментально превратилась в день, весь воздух был наполнен свечением. Оно сосредоточилось по краям человеческого тела, и все присутствующие излучали светло-голубое мистическое пламя. Мы сами себе казались призраками». Как писал сам Тесла: «Волны, создаваемые моим передатчиком будут величайшим спонтанным проявлением энергии на планете».
Ореол, окружающий личность и открытия Теслы, способствовал распространению всевозможных утверждений, носящих, как правило, полумифический характер. Подобные утверждения не поддаются проверке по причине отсутствия документов, что не мешает, однако, приписывать Тесле прямое или косвенное отношение ко многим загадкам XX века.
По легенде, после смерти Теслы спецотдел ФБР, занимавшийся хранением собственности иностранных граждан (англ. Alien Property Custodian), выслал сотрудников, которые изъяли все бумаги, найденные ими в номере. ФБР подозревало, что ещё за несколько лет до смерти Теслы некоторые бумаги были выкрадены германской разведкой и могли быть использованы для создания немецких летающих тарелок. Желая предотвратить повторение этого инцидента, ФБР засекретило все обнаруженные ими бумаги.
В книге писателя Тима Шварца упоминается, что в других отелях, где Тесла снимал номера, также оставались его личные вещи. Часть из них утеряны, более 12 ящиков с вещами были проданы для оплаты счетов Теслы. Также Тим Шварц уверяет, что в 1976 году четыре невзрачных коробки с бумагами были выставлены на аукционе неким Майклом Борнесом (Michael P. Bornes), книготорговцем из Манхеттена. Дейл Элфри (Dale Alfrey) приобрёл их за 25 долларов, не зная, что это за бумаги. Согласно автору книги, позже выяснилось, что это лабораторные журналы и бумаги Николы Теслы, в которых описывались враждебные инопланетные существа, способные контролировать человеческий мозг.
Многие читатели подвергли сомнению утверждения Тима Шварца, воспринимая книгу как попытку устроить сенсацию. Говорить о непосредственном участии Теслы в гипотетическом событии «Филодельфийском эксперименте» вряд ли возможно по причине несовпадения дат жизни Теслы и времени проведения предполагаемого эксперимента, поскольку сам Тесла умер ещё до его начала – 7 января 1943 года, в то время как предполагается, что эксперимент был проведён только 28 октября 1943 года.
В 1931 году Никола Тесла якобы продемонстрировал действующий прототип электромобиля, движущегося без каких-либо традиционных источников тока. Никаких материальных свидетельств существования этого электроавтомобиля не существует.
Американское агентство DARPA в 1958 году якобы попыталось создать легендарные «лучи смерти» Теслы в ходе проекта «Качели» (англ. Seesaw), который проводился в Ливерморской национальной лаборатории. В 1982 году проект был прерван в связи с рядом неудач и превышением бюджета.
В конце XX – начале XXI века появилась гипотеза о связи Николы Теслы с Тунгусским метеоритом. Согласно этой гипотезе, в день наблюдения Тунгусского феномена (30 июня 1908 года) Никола Тесла проводил опыт по передаче энергии «по воздуху». За несколько месяцев до взрыва Тесла утверждал, что сможет осветить дорогу к Северному полюсу экспедиции знаменитого путешественника Роберта Пири. Кроме того, сохранились записи в журнале библиотеки Конгресса США, что он запрашивал карты «наименее заселённых частей Сибири». Его эксперименты по созданию стоячих волн, когда, как утверждается, мощный электрический импульс сконцентрировался за десятки тысяч километров в Индийском океане, вполне вписываются в эту «гипотезу». Если Тесле удалось накачать импульс энергией так называемого «эфира» (гипотетическая среда, которой, по научным представлениям прошлых столетий, приписывалась роль переносчика электромагнитных взаимодействий) и эффектом резонанса «раскачать» волну, то, согласно данному предположению, должен был возникнуть разряд мощностью, сопоставимой с ядерным взрывом.

Тесла с горящей газоразрядной лампой демонстрирует беспроводную передачу электричества
Всего у Теслы насчитывается более 700 изобретений и патентов, некоторые из которых являются важнейшими историческими вехами современного электричества. Вероятно, Тесла придумал радио раньше Маркони и Попова, а также работал с рентгеновскими лучами до их официального открытия Вильгельмом Рентгеном.
Работая на Вестингауза, запатентовал применение многофазных систем переменного тока. До изобретения асинхронного (индукционного) двигателя переменный ток не находил широкого применения, поскольку не мог использоваться в ранее существовавших электродвигателях. С 1889 года Никола Тесла приступил к исследованиям токов высокой частоты и высоких напряжений. Изобрёл первые образцы электромеханических генераторов ВЧ (в том числе индукторного типа) и высокочастотный трансформатор (трансформатор Теслы, 1891), создав тем самым предпосылки для развития новой отрасли электротехники – техники ВЧ.
В ходе исследований токов высокой частоты Тесла уделял внимание и вопросам безопасности. Экспериментируя на своём теле, он изучал влияние переменных токов различной частоты и силы на человеческий организм. Многие правила, впервые разработанные Теслой, вошли в современные основы техники безопасности при работе с ВЧ-токами. Он обнаружил, что при частоте тока свыше 700 Гц электрический ток протекает по поверхности тела, не нанося вреда тканям организма. Электротехнические аппараты, разработанные Теслой для медицинских исследований, получили широкое распространение в мире.
Эксперименты с высокочастотными токами большого напряжения привели изобретателя к открытию способа очистки загрязнённых поверхностей. Аналогичное воздействие токов на кожу показало, что таким образом возможно удалять мелкую сыпь, очищать поры и убивать микробов. Данный метод используется в современной электротерапии.
12 октября 1887 года Тесла дал строгое научное описание сути явления вращающегося магнитного поля. 1 мая 1888 года Тесла получил свои основные патенты на изобретение многофазных электрических машин (в том числе асинхронного электродвигателя) и системы передачи электроэнергии посредством многофазного переменного тока. С использованием двухфазной системы, которую он считал наиболее экономичной, в США был пущен ряд промышленных электроустановок, в том числе Ниагарская ГЭС (1895), крупнейшая в те годы.

Тесла демонстрирует принципы радиосвязи, 1891 год
В 1891 году на публичной лекции Тесла описал и продемонстрировал принципы радиосвязи. Тесла одним из первых запатентовал способ надёжного получения токов, которые могут быть использованы в радиосвязи. Патент U.S. Patent 447 920, выданный в США 10 марта 1891 года, описывал «Метод управления дуговыми лампами» («Method of Operating Arc-Lamps»), в котором генератор переменного тока производил высокочастотные (по меркам того времени) колебания тока порядка 10 000 Гц. Запатентованной инновацией стал метод подавления звука, производимого дуговой лампой под воздействием переменного или пульсирующего тока, для чего Тесла придумал использовать частоты, находящиеся за рамками восприятия человеческого слуха. По современной классификации генератор переменного тока работал в интервале очень низких радиочастот.
В 1893 году учёный вплотную занялся вопросами беспроволочной связи и изобрёл мачтовую антенну.
Награды Николы Тесла:
1. Кавалер черногорского Ордена князя Данило I 2-й степени (1895).
2. Кавалер Большого креста Ордена Белого льва (Чехословакия) (1891),
3. Медаль Эллиота Крессона (1894),
4. Медаль Эдисона (AIEE, 1916),
5. Медаль Джона Скотта (1934)
Имя Теслы сегодня весьма популярно. Именем Теслы названа единица измерения магнитной индукции в международной системе единиц СИ. Аэропорту в белградском пригороде Сурчин присвоено имя Николы Теслы. В Хорватии, в курортном городе Пореч (хорв. Poreč), расположенном на западном побережье полуострова Истрия, есть набережная имени Николы Теслы. Именем Теслы названы улицы в Загребе, Шибенике, Сплите, Риеке, Вараждине, Будве (Черногория), Москве (ИЦ «Сколково»), Екатеринбурге, Теремах, Ложке, Астане, Минске. Памятники Тесле установлены около здания Белградского университета, Международного аэропорта Белграда, Храма Воскресения Христова в Подгорице, а также в городах: Нью-Йорк (США), Ниагара-Фолс (США), Прага (Чехия), Чебоксары (Россия), столице Азербайджана – Баку. В Чебоксарах на проспекте Ивана Яковлева находится сквер имени Н. Теслы. Там же стоит единственный в России памятник изобретателю.
В 1970 году Международный астрономический союз присвоил имя Теслы кратеру на обратной стороне Луны. Его именем назван астероид (2244) Тесла. Благодаря выделенному к 2020 году гранту ($750 000), Научный центр Теслы в Ворденклифе (англ.) (Нью-Йорк, США) превратит одну лабораторию в музей Теслы и его наследия, а также образовательно-исследовательский центр; одновременно будет создана соответствующая программа в области предпринимательства и технологий.
Осенью 1937 года в Нью-Йорке 81-летний Тесла вышел из отеля «Нью-Йоркер», чтобы, как обычно, покормить голубей у собора и библиотеки. Переходя улицу в паре кварталов от отеля, Тесла не смог увернуться от движущегося такси и упал, получив травму спины и перелом трёх рёбер. Тесла отказался от услуг врача, чему следовал и прежде, и так полностью не оправился. Происшествие вызвало острое воспаление лёгких, перешедшее в хроническую форму. Тесла оказался на несколько месяцев прикован к постели и смог снова встать в начале 1938 года.
В Европе началась война. Тесла глубоко переживал за свою родину, оказавшуюся в оккупации, неоднократно обращаясь с горячими призывами в защиту мира ко всем славянам (в 1943 году, уже после его смерти, первой гвардейской дивизии народно-освободительной армии Югославии за проявленное мужество и героизм было присвоено имя Николы Теслы). 1 января 1943 года Элеонора Рузвельт, супруга президента США, выразила пожелание навестить больного Теслу. Племянник Теслы Сава Косанович посетил его 5 января и договорился о встрече. Он был последним, кто общался с Теслой.
Никола Тесла скончался в занимаемом им номере отеля «Нью-Йоркер» в ночь с 7 на 8 января 1943 года, на 87-м году жизни. Тело обнаружила 8 января горничная Алиса Монахэн, которая вошла в комнату вопреки вывешенной Теслой ещё 5 января табличке «не беспокоить». По заключению коронера, смерть наступила около 22:30 ночи, предположительно от коронарного тромбоза. 12 января тело кремировали, и урну с прахом установили на Фернклиффском кладбище в Нью-Йорке. В 1957 году она перенесена в Музей Николы Теслы в Белграде.
Алиев И. Х.Генеральный директор OOO «Electron Laboratory»,Президент Научной школы «Электрон»ФИЗИКО-МАТЕМАТИЧЕСКИЕ НАУКИ
УСТРОЙСТВО КОНТРОЛЯ КОНЦЕНТРАЦИИ CO2 ГАЗОВ
УДК 620.191
Кулдашов Оббозжон Хокимович
Доктор технических наук, профессор Научно-исследовательского института «Физики полупроводников и микроэлектроники» при Национальном Университете Узбекистана
Бекчанов Улугбек Кузибай угли
Магистр 2 курса кафедры «Физики полупроводников и полимеров» физического факультета Национального Университета Узбекистана имени Мирзо Улугбека
Научно-исследовательский институт «Физики полупроводников и микроэлектроники» при Национальном университете Узбекистана
Аннотация. В статье рассматриваются принципы построения оптоэлектронного устройства для контроля концентрации CO2 газов. Определены интенсивные линии поглощения CO2 газов. В оптоэлектронном устройстве использованы в качестве излучающего диода на опорной длине волне светодиоды на основе GaAlAsSb/GaInAsSb/ GaAlAsSb (3.12 мкм), а излучающего диода на измерительной длине волны светодиоды на основе GaAlAsSb/GaInAsSb/GaAlAsSb (3.39 мкм).
Ключевые слова: газоанализатор, углекислые газы, контроль, блок схема, временные диаграммы.
Annotation. The article discusses the principles of constructing an optoelectronic device for monitoring the concentration of CO2 gases. Intense absorption lines of CO2 gases have been determined. The optoelectronic device uses LEDs based on GaAlAsSb/GaInAsSb/GaAlAsSb (3.12 microns) as the emitting diode at the reference wavelength, and LEDs based on GaAlAsSb/GaInAsSb/GaAlAsSb (3.39 microns) as the emitting diode at the measuring wavelength.
Keywords: gas analyzer, carbon dioxide, control, flowchart, time diagrams.
В последние годы все большее внимание привлекают проблемы использования чистых нетрадиционных возобновляемых источников энергии (НВИЭ) для нужд энергоснабжения различных сельскохозяйственных и промышленных объектов. Актуальность и перспективность данного направления энергетики обусловлена двумя основными факторами: катастрофически тяжелым положением экологии и необходимостью поиска новых видов энергии.
Достигнутые успехи в создании ветровых, солнечных и ряда других типов нетрадиционных энергоустановок широко освещены в различных работах, в последнее время большое внимания уделяется геотермальной энергетики. Перспективы использования энергии тепла Земли поистине безграничны, поскольку под поверхностью нашей планеты, являющейся, гигантским естественным энергетическим котлом, сосредоточены огромнейшие резервы тепла и энергии.
На сегодняшний день в Узбекистане активно развивается геотермальная энергетика. На территории Узбекистана прогнозные геотермальные ресурсы на доступных глубинах (до 5—6 км) в 4—6 раз превышают ресурсы углеводородов. Главными потребителями геотермальные ресурсы на ближайшую и отдаленную перспективу в Узбекистане, несомненно, будут теплоснабжение и, в значительно меньшей мере, выработка электроэнергии.
По абсолютному значению из всех видов возобновляемой энергии наибольшим интегральным энергетическим потенциалом располагают недра Узбекистана в виде тепла сухих горных пород (петротермальные ресурсы) и крупных бассейнов с гидротермальными водами.
Геотермальные воды имеются во всех регионах Узбекистана. Многолетние изыскания позволили выявит на его территории 8 крупных бассейнов с гидротермальными ресурсами. Валовый потенциал геотермальных вод оценивается в 171 тыс. т.н. э. Однако технический потенциал геотермальных источников пока не определен. Наибольшим потенциалом геотермальных вод обладают Ферганская долина и Бухарский вилоят. Средняя температура геотермальных вод по республике составляет 45,5 °С, наиболее теплые воды в Бухарском (56 °С) и Сырдарьинском (50 °С) вилоятах. Следует отметить, что практическая реализация энергии геотермальных вод связана с разработкой соответствующих природоохранных мероприятий, обусловленных их химическим составом. В стране также выявлены петротермальные энергоресурсы в виде сухих горных пород с температурой от 45 до 300 °С. Реализация потенциала петротермальной энергии (тепло сухих пород, гранитоидов) может быть осуществлена с помощью электростанций на низкокипящих рабочих телах с мощностью блока 40 МВт на базе Чустско-Адрасмановской петротермальной аномалии в Ферганской долины [1].
Главным достоинством геотермальной энергии является ее практическая неиссякаемость и полная независимость от условий окружающей среды, времени суток и года [2—3]. Геотермальная энергия своим «проектированием» обязана раскаленному центральному ядру Земли, с громадным запасом тепловой энергии. Только в верхнем трехкилометровом слое Земли запасено количество тепловой энергии, эквивалентное энергии примерно 300 млрд. т угля [4].
На рис.1. представлена диаграмма использования геотермальных ресурсов.

Рис.1. Диаграмма использования геотермальных ресурсов
Геотермальная энергия широко и с успехом используется в самых разных отраслях народного хозяйства. Существуют очень широкие перспективы для расширения сферы его применения:
– теплоснабжение (отопление и горячее водоснабжение) гражданских и промышленных зданий и сооружений;
– теплоснабжение сельскохозяйственных объектов (теплиц и парников как круглогодичного, так и сезонного времени действия, рыборазводные водоемы, птичьи фермы и пр.);
– удовлетворение в тепле технологических процессов промышленных предприятий (сушка древесины для мебельного производства, ферментация чайного листа и пр.);
– удовлетворение коммунально-бытовых нужд населения (бани, плавательные бассейны, прачечные и пр.);
– бальнеологические цели; производство электроэнергии.
Геотермальные ресурсы имеют несколько составляющих: их можно рассматривать одновременно как источник электрической и тепловой энергии и как источник ценных химических соединений: аморфный кремнезем, B, Li, Zn, Mn, HS, NaCl, геотермальные газы H2S, CO2.
Данные по химическому составу геотермальных ресурсов показывают наличие в них геотермальных газов (H2S, CO2) [4], контроль концентрации которых значительно облегчает их освоения и поиск новых источников минерального сырья.
Как известно в диапазоне 1,7—4,8 мкм находятся интенсивные линии поглощения геотермальных газов CO2. Развитие оптоэлектроники и её элементной базы, создание новых высокоэффективных полупроводниковых источников излучения создают предпосылки для разработки высокочувствительных и точных, надежных приборов для контроля концентрации геотермальных газов (H2S, CO2).
В данной работе предложено устройство для контроля концентрации геотермальных газов.
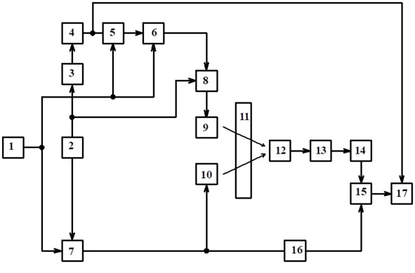
Блок схема оптоэлектронного устройства для контроля концентрации геотермальных газов приведено на рис.1, а на рис.2 приведены её временные диаграммы.
Устройство для контроля геотермальных газов содержит источник питания 1, генератор прямоугольных импульсов с двумя противофазными выходами 2, к одному выходу которого подключен делитель частоты 3 (последовательный счетчик), выход которого через одновибратор 4 соединен с управляющим входом модулятора 5 экспоненты, эмиттерный повторитель 6, два электронных ключа 7 и 8, излучающие диоды рабочий 9 и опорный 10, излучающие на опорной и рабочей длинах волн соответственно, газовую камеру 11, фотоприемник 12,соединенный с первым дифференцирующим устройством 13, выход которого через пороговое входом схемы совпадений 15, первый вход которой подключен к выходу второго дифференцирующего устройства 16, вход которого соединен с излучающим диодом 10, счетчик 17, счетный вход которого соединен с выходом схемы совпадений 15, а его вход «установка нуля» соединен с выходом одновибратора 4.
Газовую камеру 11 облучают двумя потоками излучения Ф0l1 и Ф0l2 на опорной l1 и рабочей l2 длинах волн соответственно. Прошедшие через газовую камеру потоки излучения будут равны соответственно:

(1)
где: Ф0l1 и Ф0l1 – подающие на газовую камеру потоки излучения на длинах волн l1 и l1 соответственно, Фl1, Фl2 – потоки излучения после прохождения через после прохождения через газовую камеру на длинах волн l1 и l2 соответственно,
N1 – концентрация смеси газообразных веществ,
L – длина оптического пути, т.е. длина газовой камера,
N2 – концентрация определяемого газообразного вещества,
К1 – коэффициент рассеяния смеси газообразных веществ,
К2 – коэффициент поглощения определяемых газообразных веществ.
Поток Ф0l1 изменяется во времени (t) по экспоненциальному закону

(2)
где А – постоянный коэффициент, соответствующий начальному значению амплитуды экспоненциального импульса.
В момент равенства потоков Фl1 и Фl2

(3)

(4)
где tc – время, соответствующее моменту сравнения,
t – постоянная времени экспоненты.
Генератор 2 прямоугольных импульсов вырабатывает импульсы с необходимой частотой повторения. Эти импульсы с противофазных выходов поступают на вход делителя 3 частоты и на управляющие входы ключей 7 и 8. Прямоугольные импульсы с выхода делителя 3 частоты (рис.2.а) поступают на вход одно вибратора 4.
Прямоугольные импульсы с необходимой длительностью с выхода одно вибратора 5 экспоненты, выход которого соединен через эмиттерный повторитель 6 с выходом электронного ключа 8, где формируется дискретный экспоненциальный импульс тока, который протекает через излучающий диод 9, вызывает поток излучающий по такому же закону. Противофазно заполняющим экспоненту импульсам переключатся электронный ключ 7. протекающий через излучающий диод 10 импульс тока вызывает световой поток, амплитуда которого постоянна. Прошедшие через газовую камеру потоки воспринимаются фотоприемником 12.

Рис.2.Блок схема устройства

Рис.3. Временные диаграммы, поясняющие работу устройства.
На (рис.2.в) изображена временная диаграмма суммарного фотоэлектрического сигнала на выходе фотоприемника 12. этот сигнал подается на вход первого дифференцирующего устройства 13, с выхода которого продифференцированный фотоэлектрический сигнал (рис.2.г) поступает на вход порогового устройства 14.
Далее сигнал с выхода порогового устройства 14 (рис.2.2.д) подается на один из входов схемы совпадения15. На другой вход схемы совпадения 15 подается сигнал с выхода второго дифференцирующего устройства 16 (рис.2.е).
С момента сравнения tс на выходе схемы совпадений 15 появляется серия импульсов, которые поступают на счетный вход счетчика 17 (рис.2.2.ж).
В начале следующей экспоненты на вход «Установка нуля» счетчика 17 поступают прямоугольные импульсы с выхода одно вибратора 4 и счетчик 17 подготавливается. По показаниям счетчика можно определить концентрацию CO2 газов.
В оптоэлектронном устройстве использованы в качестве излучающего диода на опорной длине волне светодиоды на основе GaAlAsSb/GaInAsSb/ GaAlAsSb (3.12 мкм), а излучающего диода на измерительной длине волны светодиоды на основе GaAlAsSb/GaInAsSb/GaAlAsSb (3.39 мкм).
В оптоэлектронное устройство для контроля содержания СО2 в атмосфере применен фотодиод серии PD36 для спектрального диапазона 1,5—3,8 мкм на основе гетероструктуры InAs/InAsSbP.
Литература
1.Авезов Р. Р., Лутпуллаев С. Л. Состояние, перспективы и проблемы использования возобновляемых источников энергии в Узбекистане. // Конференция посвященная Году Физики – 2005 г. Ташкент, 27 – 28 сентября 2005 г.,с.119.
2.Берман Э. Геотермальная Энергия. Перевод с английского под редакцией д. г-м. н. Б.Ф. Маврицкого. Издательство «Мир», Москва. 1978. – 167с.
3. Алхасов А. Б. Геотермальная энергетика: проблемы, ресурсы, технологии. М.: Физматлит, 2008. 376 с.
4. Процессы тепломассопереноса при комплексном использовании геотермальных резурсов: Монография / В. В. Потапов, М. А. Близнюков, С. А. Смывалов, В. А. Горбач. – Петропавловск-Камчатский: КамчатГТУ, 2005. – 136 с.