
K1 – коэффициент рассеяния смеси газообразных веществ;
K2 – коэффициент поглощения определяемого газообразного вещества.
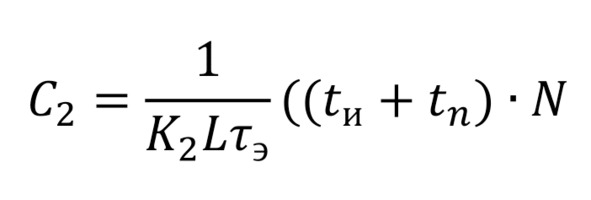
Поток излучения изменяется по времени (t) по экспоненциальному закону:

где: A– постоянный коэффициент, соответствующий начальному значению амплитуды экспоненциального импульса, N – число импульсов от начала экспоненты до момента перемены фотоэлектрического сигнала.
В момент равенства потоков излучения и получаем, что

откуда следует, что:

где: τэ – постоянная времени экспоненты.
В датчике аварийной сигнализации для объектов геотермальной энергетики использованы, светодиоды со спектрами излучения 3.2 мкм (опорный) и светодиоды со спектрами излучения 3.4 мкм (рабочий).
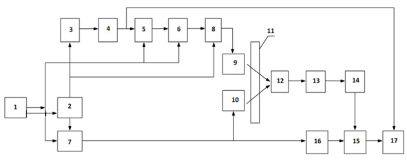
На рис. 1 изображена блок-схема датчика аварийной сигнализации для объектов геотермальной энергетики, которые состоят из блока питания – 1, генератора – 2, делителя частоты – 3, одновибратора – 4, модулятора экспоненциальной функции – 5, эмиттерного повторителя – 6, электронных ключей 7 и 8, светоизлучающих диодов (9 и 10), газовой камеры – 11, фотодиода – 12, первого дифференцирующего устройства – 13, порогового устройства – 14, схемы совпадения – 15, второго дифференцирующего устройства – 16, счетчика – 17.
Датчик аварийной сигнализации для объектов геотермальной энергетики работает следующим образом:
Генератор прямоугольных импульсов – 2 вырабатывает импульсы с необходимой частотой повторения. Эти импульсы с противофазных выходов поступают на вход делителя – 3 частоты и на управляющие входы ключей – 7 и 8. Прямоугольные импульсы с выхода делителя – 3 частоты поступают на вход одновибратора – 4. Прямоугольные импульсы с необходимой длительностью с выхода одновибратора – 4 поступают на вход модулятора – 5 экспоненты, выход которого соединен через эмиттерный повторитель – 6 с входом электронного ключа – 8, где формируется дискретный экспоненциальный импульс тока, который протекает через излучающий диод 9, вызывая поток излучения по такому же закону. Противофазно заполняющим экспоненту импульсам переключается электронный ключ – 7.
На рис. 3 представлено передаточная функция датчика аварийной сигнализации для объектов геотермальной энергетики.

Протекающий через светоизлучающий диод 10 импульс тока вызывает световой поток, амплитуда которого постоянна. Прошедшие через газовую камеру – 11 потоки излучения светодиодов принимаются фотодиодом – 12. Этот сигнал подается на вход первого дифференцирующего устройства – 13, с выхода которого продифференцированный фотоэлектрический сигнал поступает на вход порогового устройства – 14.
Далее сигнал с выхода порогового устройства – 14 подается на один из входов схемы совпадения – 15. На другой вход схемы совпадений – 15 подается сигнал с выхода второго дифференцирующего устройства – 16. С момента сравнения на выходе схемы совпадений – 15 появляется ряд импульсов, которые поступают на счетный вход счетчика – 17. В начале следующей экспоненты на вход «Установка нуля» счетчик – 17 поступают прямоугольные импульсы с выхода одновибратора – 4 и счетчика – 17 подготавливается к следующему циклу.
Сравнение амплитуд опорного и измерительного потоков излучения с применением порогового устройства обеспечивает точность измерения устройства контроля геотермальных газов на основе полупроводниковых излучателей.
Литература
1. Ахмедов Г. Я. Защита геотермальных систем от карбонатных отложений. М.: Научный мир, 2012.
2. Kiseleva S. V., Kolomiets Y. G., and O. S. Popel’, «Assessment of solar energy resources in Central Asia,» Appl. Sol. Energy (English Transl. Geliotekhnika), 2015, doi: 10.3103/S0003701X15030056.
ФОТОВОЛЬТАИЧЕСКИЙ ЭФФЕКТ В a- КВАРЦЕ
УДК 548.1.024.5
Каримов Боходир Хошимович
Кандидат физико-математических наук, доцент кафедры «Технологического образования» физико-технического факультета Ферганского государственного университета
Ферганский Государственный университет, Фергана, Узбекистан
Аннотация. Аномальный фотовольтаический эффект, наблюдавшийся ранее для сегнетоэлектриков Li bO3:Fe SbSJ, является частным случаем более общего ФЭ существующего в кристаллах без центра симметрии и описываемого тензорам третьего ai j k.
Ключевые слова: фотовольтаический эффект, сегнетоэлектрики, тензор, компоненты тензора.
Annotation. The anomalous photovoltaic effect observed earlier for LibO 3:Fes ferroelectrics is a special case of a more general FE existing in crystals without a center of symmetry and described by the third ai j k tensors.
Keywords: photovoltaic effect, ferroelectrics, tensor, tensor components.
Компоненты тензора aijk отличны от нуля для 20 ацентричных точечных групп симметрии. При равномерном освещении линейно поляризованным светом однородного кристалла пьезо и сегнетоэлектриков в нем возникает фотовольтаический ток. Знак и величина фотовольтаического тока зависит от ориентации вектора поляризации света с компонентами Еj и Ek*, направлением его распространения и симметрией кристалла.
В соответствии (I) и симетрией точечной группы можно написать выражение для фотовольтаического тока. Сравнение экспериментальной уголовной зависимости с (β) позволяет определять фотовольтаического тензора aajk или фотовольтаических коэффициентов

(a*– коэффициент поглощения света).
Если электроды кристалла разомкнуть, фотовольтаический ток генерирует фотонапряжение 103—105 B. величина которое может на несколько порядок превышать ширину запрещенной зоны пьезо или сегнетоэлектриков. В центросимметричных кристаллах ФЭ отсутствует.
Нами иследовались a-кварц одно из более распространенных кристаллических форм кремнезема (SiO2). При темпратурах до 573о существует так называемый «низкотемпратурный» a-кварц. Кристаллы a-кварц принадлежат к тригонально трапецоэдрическому классу тригональной системы (точечная группа симметрии 32) и встречаются однаково часто в двух знантиоморфных формах: правые и левые кристалли. При нормальном давлении и темпратуре 573о С a – кварц превращается в гексагонально —трапецоэдрический класс гексагональной системы (точечкая группа симметрии 622).
Ось третьего порядка в – кварце являетя оптической осью кристалла. Одна из осей второго порядка являетя электрической осью и нормаль к обоим указаным осям являетя механической осью.
Симметрия структуры кварца определяет и симметрию свойств этого кристалла.
Кварц обладает спасобностью вращения плоскости поляизадив не только вдоль оптический осы, и в перпендикулярном к ней направление. Опытном путем установлено, что отношение остается постоянным для длин волн от 545 до 565 Нм и равном 0 54, т.е. врашение плоскости в напралениях перпендикулярной к оптический осы премерно в два раза меншь чем по оптической осы. Несмотря на все «популярность» кварца, как обеъкта ислодование свойства его детально до сих пор не изучены.
В настоящей работе предавствалены результаты, вляние поляризации света на
Аф эффект в природном кристала -кварца с естественней окраской.
На рис 1 предоетавлена угловая завясимость фотовольтаического тока в прородном кристала a -кварца с естественней окраской. Кристаллы освешались в примесной свектральной область (l- 300—500 нм, a2 = 2см -1) при комнатнойтемпература. Рис 1 указовает два ориентационную угловой зависимости Jx (b) при освещении в направление оси а z для при этом для a-кварца K11 = (1—3). 10—13 A. см (Вт) -1.


Освещение в Z – напралении обнаруживает заметное отклонения Jx (b) от теории. Возможно это связано с разницей значениях коэффициента оптической активности кварца для Z – и У – направлений. Обращает внимение очень низкое значение фотовольтаического коэффициента К11 в a- кварце. Оно характеризует примесные центры, ответственое за естественную окраску природных кристаллов и не отражает асимметрия собственных переходов. К сожалению, a- кварце примесни центры специально не иследована; это предоставляет самостоятальную задачу.
Методом компенсации измерялиеь поле

соответствующее фотонапрежение V=El, генерируемое в кварце в направлении осы х. При комнатной темпатуре были получени следущие значения:

Из за температурной зависимости проводимости кварца поле и фотонапряжение V растут с понижением температуры.
ЛИТЕРАТУРА
1. Рывкин С. М. Фотоэлектрические явления в полупроводниках Физматгиз.1963,494с.
2. Фридкин В. М. Сегнетоэлектрики-полупроводники. М.,Наука 1976.
О СПОСОБНОСТЯХ ПЕРЕМЕЩЕНИЯ РОБОТИЗИРОВАННЫХ УСТРОЙСТВ И ИСПОЛЬЗОВАНИЕ НОВЫХ ИДЕОЛОГО-МАТЕМАТИЧЕСКИХ АЛГОРИТМОВ ПРИ ИХ СОЗДАНИИ
УДК 004.896
Каримов Боходир Хошимович
Кандидат физико-математических наук, доцент кафедры «Технологического образования» физико-технического факультета Ферганского государственного университета
Кучкоров Ахлиддин Мирзохидович
Преподаватель «Технологического образования» физико-технического факультета Ферганского государственного университета
Ферганский государственный университет, Фергана, Узбекистан
Аннотация. Выполнение большого количества самой различного типа работ и операций в сегодняшний день сводиться также и к возможности его перемещение и совершения движения. Разумеется, существуют прочие типы роботов, исполняющие свои функции и в одном местоположении, однако, большое количество роботов используют именно различные способы передвижения, что описано в настоящей работе.
Ключевые слова: робот, движение, способы передвижения, оказание различного рода услуг, демонстрация, электрическая энергия.
Annotation. The performance of a large number of various types of work and operations today is also reduced to the possibility of moving it and making movement. Of course, there are other types of robots that perform their functions in the same location, however, a large number of robots use different ways of movement, which is described in this paper.
Keywords: robot, movement, methods of movement, provision of various kinds of services, demonstration, electric energy.
Само понятие «робота» было создано достаточно рано, ещё в 1920-м году чешским писателем Карелом Чапеком и его братом Йозефом для научно-фантастической пьесы мистера Чапека «Р. У. Р.», которая была поставлена в 1921 году, после чего пользовалась успехом и затем стала популярной. Такие же термины как «робототехника» или точнее «роботика» была более популяризирована со стороны известного писателя Айзека Азимова в научно-фантастическом рассказе «Лжец» 1941 года.
На сегодняшний день существует огромное количество самых различных роботов, однако, проблема совершения человекоподобного передвижения среди большинства из них на двух или более конечностях пока остаётся и поэтому самыми распространёнными среди них остаётся именно колёсные или гусеничные роботы, при этом чаще всего используются именно четырёхколёсные, но разумеется есть роботы, которые используют и большее их количество, либо меньшее, в пользу упрощения конструкции. Яркий тому пример двухколёсные роботы, использующие для своего точного удержания гироскопические системы и сохранения равновесия, с использованием динамики обратного маятника.
Более популярный в народе пример такого устройства – сегвей, которые для сравнения, был использован как транспортная платформа в разработанном НАСА роботе Робонавт. Может показаться удивительным, но существует также и одноколёсные моноцикла-подобные роботы, которые удерживают равновение, но они крайне редки. Более активно вместо их используют шароботы, которые используют уже, как видно из наименования сферы, приводимые в движение посредством нескольких систем электродвигателей с общим контролем их удержания и сохранения равновесия. Ещё одним интересным решением может выступать такой шаробот, система управления и прочие детали вместе с мозговой системой коего не выведена за пределы самого корпуса робота, но расположена именно внутри него. Популярными стали роботы, разработанные Швейцарской высшей технической школой, университетом Тохоку Гакуин и прочими.
Есть, разумеется, и типы, использующие большее количество колёс или гусеничный тип передвижения, при этом такие роботы обладают способностью передвижения в самых различных поверхностях, чаще всего неровных, что позволяет способность движения удерживающих систем колёс по различным осям. Такая конструкция ещё называется «всенаправленными колёсами».
Когда же технология использования колёс и гусениц была описана, стоит ещё и описать способ движения на конечностях или точнее, шагающие роботы, публикации о коих началась ещё в 1970-1980-х годах, хотя упоминания о таких устройствах и машинах были ещё в мифах Древней Греции, где речь шла о слугах бога Гефеста, которые он создал и дал разум, а популяризация была уже в последующих научно-фантастических романах известных писателей.
Конечно, при этом действуют многочисленные двигательные передачи и как бы удивительно не было, подобные конструкции более легки для проектировки, к тому же они могут использовать больше конечностей, как и говорилось, либо во время ходьбы использовать только руки, а при беге руки и ноги. Однако, самой масштабной проблемой, среди создания таких роботов является их плохое удержание и способность держать равновесие, подобно человеческому организму.
И хотя, исследования по этому направлению всё ещё продолжают вестись, существует огромное количество самых различных способов по решению этих проблем. Примером этих технологий является метод использования сервопривода и гидромеханического привода, ZMP-технологии и прочих. Если для роботов сама ходьба является сложной, использование для них более сложных движений, может показаться абсурдом, но на удивление, есть и только прыгающие роботы, прекрасно справляющиеся непосредственно только с этой своей функцией. И конечно, более прогрессивными являются методы по адаптивным алгоритмов поддержания равновесия, коих не только огромное количество, но во время реального тестирования, приходиться создавать может быть совершенно новые, ранее не существовавшие алгоритмы.
Конец ознакомительного фрагмента.
Текст предоставлен ООО «ЛитРес».
Прочитайте эту книгу целиком, купив полную легальную версию на ЛитРес.
Безопасно оплатить книгу можно банковской картой Visa, MasterCard, Maestro, со счета мобильного телефона, с платежного терминала, в салоне МТС или Связной, через PayPal, WebMoney, Яндекс.Деньги, QIWI Кошелек, бонусными картами или другим удобным Вам способом.
Вы ознакомились с фрагментом книги.
Для бесплатного чтения открыта только часть текста.
Приобретайте полный текст книги у нашего партнера:
Всего 10 форматов