
Ишловчиларга ультра- ва инфратовушни ёқимсиз таъсирини олдини олиш бўйича чоралар (ташкилий-техник, санитар-гигиеник ва даволаш профилактика) мажмуавий олиб борилади, товушни унинг ҳосил қилиш манбасида пасайтириш, ускуналарни ишлаш тартибини рационаллаштириш ишлари олиб борилади, шунингдек ульратовушни контактли таъсирида жамоа (кузатиш кабинаси, масофадан бошқариш) ва шахсий (шовқинга қаршилар ва икки қаватли перчаткалар – ташқариси резинали ва ичкариси пахтали) ҳимоя воситаларидан фойдаланилади. Ультратовушни контактли таъсирига учрайдиган шахслар дастлабки (ишга қабул қилишда) ва ҳар йиллик даврий тиббий кўриклардан ўтказиб турилиши керак. 18 ёшдан кичик ва ҳомиладорлар ультратовуш манбаси бўлган ишларга қўйилмайди.
2.5.4. Корхоналарда шовқинни меъёрлаштириш ва ишлаб чиқариш жараёнларида шовқинни камайтириш тадбирлари
Шовқин товуш босими даражаси, частотаси, шовқин турига (кўп кенгликли, бир маромли (тонли), импульсли) ва таъсирчанлиги давомийлигига кўра меъёрлаштирилади.
Турли хил частотали шовқин одамга ҳар хил таъсир этганлиги учун, ҳар қайси октав кенгликлар ўрта геометрик частоталар учун шовқиннинг рухсатли даражаси меъёрлари турлича ўрнатилган.
Октав кенгликлар – бу частоталар оралиғи бўлиб, юқори частотаси пасткисидан икки марта кўп, яъни fюқ/fпастки =2.
Октав кенгликлар қуйидагича аниқланади:
f = (fюқ / fпастки) 1/2
Шовқин кенг полосали, кўп товуш частоталари бўлганда, масалан, тозалаш машиналари шовқини, ва бир маромли, бунда муайян тон (маром) эшитилади. Масалан, ҳаво билан ташигич вентилятори шовқини. Бир маромли шовқин зарарлироқдир.
ГОСТ 12.1.003—76 га кўра ишлаб чиқариш хоналари ва корхона ҳудуди учун товуш босимларининг қуйидаги йўл қўйиладиган даражалари ўрнатилган: октав полосалар ўрта геометрик частоталари Гц (товуш босимларининг даражаси Дб 63 (103); 125 (96); 250 (91); 500 (88); 1000 (85); 2000 (83); 4000 (81); 8000 (80)).
Товуш босимининг йўл қўйиладиган даражаси шовқин таъсири муддатига қўшиладиган қўшимча билан тўлдирилади:
Жадвал 2.1
Шовқин таъсири муддатига қўшиладиган қўшимча

Шовқинга қарши кураш тадбирлари биринчи навбатда унинг содир бўлишини бартараф этиш ва унинг тарқалиш даражасини камайтиришга йўналтирилган.
Биринчи гуруҳ тадбирларига: техника ускуналари шовқинни камайтириш кераклиги эътиборга олиниб лойиҳаланиши ва тайёрланиши; ускуналарни соз ҳолатда ушлаб туриш (қўзғалувчан қисмларнинг емирилиши, ўз вақтида уларни мойланмаслиги шовқинга олиб келади); интенсив шовқинли ускунани иш жойларидан ажратишни ташкил қилиш кераклиги киради.
Ушбу гуруҳга шовқинни камайтиришни қуйидаги: тебраниш амплетудасини камайтириш, металл деталларни акустик қаршилиги катта бўлган материаллар билан алмаштириш, думаланиш подшипникларини сирпаниш подшиниклари билан алмаштириш, текис тасмали узатмаларни понасимон тасмали узатмалар билан алмаштириш, тўғри тишли узатмаларни қия ёки шеврон тишли узатмалар билан алмаштириш, илгариланма-қайтма ҳаракатни айланма ҳаракат билан алмаштириш, барча айланувчан деталларни динамик мувозанатлаштириш, демпфер материаллар (резина, пластмасса, войлок, асбест ва бошқалар) дан фойдаланиш ҳам киради.
Иккинчи гуруҳ тадбирларига: шовқин ютувчи материллар (ғовак материаллар) билан деворларни ёпиш, акустик штукатурка қилиш, акустик плиталар ёпиштириш киради. Цехларда товуш ютувчи материаллар ёрдамида шовқин 8…20 Дб гача камайтирилиши мумкин.
Пахтани ҳаво билан ташигични вентилятори (қуввати 75 квт, айланиши 1450 айл/дақ.) аэродинамик шовқин ҳосил қилади: шовқин босими 105 Дба га тенг бўлиб 800…1000 метргача тарқалади. Вентиляторларда шовқин ва титрашни камайтириш учун: 1) вентилятор ғилдирагини (паррагини) мувозанатлаш; 2) вал таянчлари ҳолатини назорат қилиб бориш, вентиляторни емирилган шарикли подшипникларда ишлатилишига йўл қўймаслик; 3) вентилятор ғилдирагида ғадир-будирликлар бўлмаслиги, ғилдирак деталлари: парраклар, диск ва халқанинг емирилган ҳолатда ишлатилишига йўл қўймаслик. Акс ҳолда, буларнинг ҳаммаси толали массанинг ёпишиб тиқилишига ва вентилятор мувозанатининг бузилишига олиб келади; 4) вентиляторни фойдали иш коэффициенти 50% дан кам бўлмаган ҳолатда ишлатиш, бундан кам фойдали иш коэффициентида ишлатиш шовқинни кучайишига сабаб бўлади; 5) қуритиш-тозалаш, тозалаш, жинлаш-линтерлаш ва тойлаш цехларининг технологик ускуналарига хизмат кўрсатувчи вентиляторлар цехлар (бинолар) ташқарисида – очиқ майдонда ёки алоҳида хонада бўлишини таъминлаш керак.
Ишлаб чиқариш биноларида шовқинни камайтириш учун, бино деворларига акустик плиталар ёпиштирилади.
Жамоа ҳимоя воситалари ва бошқа воситалар шовқинни пасайтиришни рухсатли даражага тушира олмаган ҳолатда шовқиндан ҳимояланишни шахсий ҳимоя воситаларини қўллаш мақсадга мувофиқдир.
2.5.5. Титрашни пайдо бўлиши, меъёрлаштириш ва пахта тозалаш корхоналарида титрашни камайтириш
Эластик жисмлар ёки ўзгарувчан физикавий майдон таъсири остидаги жисмларда содир бўладиган кичик механик тебранишлар титраш дейилади. Титрашни одамга таъсирини тебранишни узатиш услуби бўйича, таъсирини йўналиши бўйича, вақт тавсифи бўйича синфлашади.
Одам танасига тебранишни узатиш услубига кўра титрашни ўтирган ёки тик турган одамни таянч сирти орқали танасига узатиладиган – умумий ва одамни қўли орқали узатиладиган -маҳаллий (локал) га бўлишади. Ўтирган одамни оёғига таъсир этувчи, титраётган иш столларини сиртига босилган (тегкан) қўл болдирига таъсир этувчи титраш ҳам маҳаллийга киради.
Титраш таъсирини йўналишига кўра таянч сиртига перпендикуляр, X ўқи бўйича тарқалувчи – вертикал; умуртқадан кўкракка Y ўқи бўйича тарқалувчи – горизонтал; ўнг елкадан чап елкага Z ўқи бўйича тарқалувчи – горизонталга бўлишади.
Вақт тавсифи бўйича назорат қилинадиган парметри кузатув вақтида икки мартадан кўп (6 дБ) ўзгармайдиган – ўзгармас титраш ва назорат қилинувчи параметр икки мартадан кўп ўзгарадиган – ўзгарувчан титрашга бўлинади.
Титраш юқори биологик фаол омилларга киради. Таъсир зонасида тебраниш жараёнининг қуввати ва титраш патологиясини ривожланишини аниқловчи таъсир вақти бош параметрлар бўлади. Унинг таркиби тебраниш частотаси ва амплетудасига, таъсир давомийлигига, таъсир жойи ва таъсир ўқи йўналишига, матоларни қайтариш хоссасига, резонанс ҳодисаси ва бошқа шароитларга боғлиқ.
Тебраниш частоталарининг 0,7 Гц дан ошиши одам органларида резонанас тебранишлар ҳосил қилиши мумкин. Одам танасининг, унинг алоҳида органларининг резонанси, ички органлар тебранишини ўз частотасини ташқи кучлар частотаси билан мос тушганда, ташқи кучлар таъсирида содир бўлади. Бош учун ўтирган ҳолатда вертикал титрашда резонанс зонаси 20…30 Гц, горизонтал титрашда 1,5…2 Гц оралиғида жойлашган бўлади. Кўриш органига нисбатан резонанс муҳим аҳамият касб этади. Кўзнинг қамашиши 60…90 Гц частоталар оралиғида, кўз қорачиғи резонансига мос тушади. Кўкрак қисмида ва қорин тарафда жойлашган органлар учун 3…3,5 Гц резонанс частотаси бўлади. Ўтирган ҳолатда бутунлай тана учун резонанс 4…6 Гц да содир бўлади.
Машина ва механизмлар ҳамда улар қисмларининг айланиши натижасида, мувозанат бузилганидан ёки машина қисмларининг илгариланма-қайтма ҳаракатланишидан содир бўладиган частотаси 16 Гц дан кам бўлган тебранишлар одам томонидан титраш сифатида қабул қилинади.
Титраш тебраниш частотаси (Гц) титраб силжиш амплетудаси (мм) ва титраш тезлиги (мм/сек) билан тавсифланади.
Титраш одам учун зарарли бўлиб унда чарчаш тезлашади, бош оғриғи пайдо бўлади, бўғинларда оғриқ пайдо бўлади, ҳаракатларни мувофиқлаштириш бузилади. Титрашнинг узоқ давомли таъсири титраш касаллиги пайдо бўлишига, юрак-қон томирлари ва асаб системаси фаолиятини ўзгаришига, одамни жисман ва руҳан куч сарфининг кўпайишига сабаб бўлади.
Титраш меъёрлаштирилади, унинг даражаси дБ да унинг чегаравий қийматига нисбатан ўлчанади:
Lv = 20 lg (v/vo) =20 lg (v/5x10—5),
бунда: vo – тебраниш тезлигининг чегаравий қиймати; v- титраш тезлиги, мм/с.
СН-245-71 да титраш параметрларининг йўл қўйиладиган қийматлари келтирилган. Титраш давомийлигига ва иш куни вақтига қараб, у қўшимча билан тўлдирилади.
Иш жойидаги меҳнат фаолияти турига (ижодий меҳнат, юқори малакали иш, доимий назорат қилишни талаб этувчи операторлик иши ва бошқалар) кўра, шовқиннинг ҳар бир ўрта геометрик частотали (Гц) октав кенгликлари учун товуш босими даражаси (дБ) ўрнатилган ҳамда ҳар бир меҳнат фаолияти учун эквивалент товуш даражаси белгиланган (дБА). Меҳнат фаолиятига кўра эквивалент товуш даражаси 50…85 дБА атрофида ўрнатилган.
Иш жойларида шовқин даражаси 85 дБА дан кўп бўлган иш ҳудуди хавфли ҳисобланилади ва бу жойда шахсий ҳимоя воситаларисиз ишлаш мумкин эмас. Товуш босими 135 дБА бўлган жойларда одамнинг қисқа вақт бўлса-да, бўлиши қатъиян ман қилинади.
Пахта тозалаш заводларида титраш айланиш частотаси 960 айл/дақиқадан кам бўлганда вентиляторларда, мувозанатланмаган ҳолларда аррасимон, қозиқ- планкали ва шеткали барабанларда (уларни айланиши 960 айл/дақ. дан кам) титраш содир бўлади.
Машина иш органларининг титраши уларнинг қобиғига, ишлаб чиқариш цехлари биносининг қурилиш конструкцияларига узатилиши мумкин.
Пахта тозалаш заводларида 200 айл/дақ. дан тез айланаётган машиналар айланувчан қисмларини мувозанатлаш керак.
2.5.6. Шовқин ва титрашни ўлчаш ва улардан ҳимояланиш
Шовқин ва титрашни ўлчашда шовқин ўлчагичлар- ИШВ-2, «Шум – 1М20» ва «Шум – 1М30» – шовқин-титраш ўлчагич комплектларидан ва шовқин-титраш ўлчагичлардан фойдаланилади.
Агар шовқин ва титрашни меъёр даражасига туширишнинг имкони бўлмаса, ишловчиларга шахсий ҳимоя воситалари берилиши керак.
Шовқин суръати 130 дБ дан юқори бўлганда шовқиндан ҳимояловчи ниқоблар, суръати кам бўлганда шовқинга қарши қулоқчин берилади. Булар 5000…7000 Гц частотали шовқинни 55 дБ гача пасайтиради.
Қулоқ тиқинлари шовқинни 20 дБ гача камайтиради.
Шовқинни камайтириш тадбирларига: механизмлар ва қурилмаларни кам шовқинли қилиб лойихаланиши ва тайёрланиши; технологик ускуналарни техник соз ҳолатда ушлаб туриш (қўзғалувчан қисмларни ўз вақтида мойланиши, уларни емирилмасидан алмаштирилиши); юқори шовқинли ускунани иш жойларидан ажратишни ташкил қилиш киради.
Шовқинни тарқалиш даражасини камайтиришнинг қуйидаги: тебраниш амплетудасини камайтириш, металл деталларни акустик қаршилиги катта бўлган материаллар билан алмаштириш, думаланиш подшипникларини сирпаниш подшипниклари билан алмаштириш, текис тасмали узатмани понасимон тасмали узатмалар билан алмаштириш, тўғри тишли узатмани қия тишли ва шеврон тишли узатмалар билан алмаштириш, илгариланма-қайтма ҳаракатни айланма ҳаракат билан алмаштириш, барча айланувчан деталларни динамик мувозанатлаш, демпфер материаллардан (резина, пластмасса, кигиз, асбест ва бошқалар) дан фойдаланиш киради.
Қуритиш тозалаш, тозалаш, жинлаш-линтерлаш ва тойлаш цехларини технологик ускуналарига хизмат кўрсатувчи вентиляторлар бу цехлар (бинолар) ташқарисида, очиқ майдонда ёки алоҳида хонада бўлиши, жинлаш-линтерлаш цехида тола ва линтни аррадан ажратиш учун ҳаво бино ташқарисида жойлашган вентилятордан ҳаво қувурлари орқали узатилиши керак. Тозалаш машиналари (шнекли тозалагичлардан ташқари) қобиғи ички сиртини товуш ютувчи мастика билан сайқаллаш керак.
Жин ва линтерларда асосий шовқин манбаъси аррали цилиндрдир. Арралар цилиндр айланганда колосникларга тегмаслиги керак. Арралар ва колосниклар орасидаги оралиқнинг нотўғри қўйилиши жин ва линтерларда шовқинни 50—60 дБ-га кўпайтиради. Арра цехларининг ишига алоҳида эътибор берилиши керак. Ўз вақтида ўтказилган профилактика кўриклари ва ускуналарни таъмирланиши – ишлаб чиқаришда шовқинни камайишининг асосий омилидир.
Ишлаб чиқариш биноларида шовқинни камайтириш учун, бино деворларига акустик плиталар ёпиштирилади. Иш жойларида шовқин даражаси 85 дБА дан кўп бўлган иш ҳудуди хавфли ҳисобланади ва бу жойда шахсий ҳимояловчи воситаларсиз ишлаш мумкин эмас, товуш босими 135 дБА бўлган жойларда одамнинг қисқа вақт бўлсада бўлиши қатъиян маън этилади.
Пахта тозалаш корхоналари машиналари ва технологик ускуналари механизмларини, мувозанати бузилган қисмларининг айланиши ёки илгариланма-қайтма ҳаракатланиши натижасида содир бўладиган, частотаси 16 Гц -дан кам бўлган, тебранишлар одам томонидан титраш сифатида қабул қилинади.
Вентиятордан титрашни узатилишини камайтириш учун, вентилятор рамаси остига эгилувчан элемент ўрнатилади. Агар вентиляторни айланиш частотаси 1800 айл/дақ бўлса, унда рама остига резина ёстиқ қўйилади. Айланиш тезлиги кам бўлганда вентилятор оғир асосга ўрнатилиши, бу оғир асос ўз навбатида пружинали ёки пружина-резинали амортизаторга ўрнатилади.
Агар шовқин ва титрашни меъёр даражасига туширишни имкони бўлмаса, ишловчиларга шахсий ҳимоя воситалари берилиши керак. Шовқин интенсивлиги 100 дБ -дан юқори бўлганда шовқиндан ҳимояловчи ниқоблар, интенсивлик кам бўлганда шовқинга қарши қулоқчинлар берилади. Булар 5000—7000 Гц частотали шовқинни 55 дБ-гача пасайтиради. Қулоқ тиқинлари эса шовқинни 20 дБ-гача камайтиради.
Қўл орқали ўтадиган титрашни ютадиган қўлқоп ёки панжақўлқоплар, оёқ орқали ўтадиган титраш таъсирини камайтириш учун қалин наъматли ёки резина тагликли оёқ кийимдан фойдаланилади.
2.6. Пахта тозалаш заводи ускуналарини чангсизлантириш
Пахта тозалаш заводининг барча ускуналарининг ишлашидан чанг ажралиб чиқади ва чангли ҳавони жойидан сўриш машиналар ва цехларни чангсизлантиришни асосий усули сифатида қабул қилинган.
Пахта тозалаш заводи технологик ускуналарининг алоҳида турлари учун қўлланиладиган чангсизлантириш тартиблари қуйидагича бўлади.
2СБ-10, СБО ва СБТ қуритгичларида ишланган қурилиш агентининг чангланганлиги 2000 мг/м3 га етади. Қуритгич шахтасидан чиқаётган чангли ҳавони ҳажми секундига 5…6 м3 га тенг. Чангсизлантириш ишланган қуритиш агенти билан аралашган чангни қуритгич шахтасидан сўриш ва вакуум клапан билан жиҳозланган ЦС-6 ёки ВЗП -1200 чанг тутқичларда тозалаш орқали амалга оширилади. Бунда чиқиндилар қуритиш барабани лотогидан ҳаво билан ташигичда чиқарилади.
6А-12М1 шнекли (винтли) тозалагични чангсизлантириш икки усулда амалга оширилиши мумкин:
1) чангни чиқинди бункеридан унинг ён томонларида назарда тутилган махсус тешикдан сўриб тортиш йўли билан, бунда ҳавони ҳажмий сарфи 0,8…1 м3/с, аспирация қувурини диаметри 225 мм;
2) пахта хом-ашёсини машинадан чиқиш жойи ёпгичидан сўриб тортиш, сўриладиган ҳаво ҳажми сарфи 0,4 м3/с.
СЧ-02, 1ХК тозалагичларни чангсизлантириш ишлаш жараёнида ажраладиган чиқиндини ташиш усулига кўра икки хил бўлиши мумкин:
1) чиқиндини механик транспорт билан чиқаришда чиқинди бириктирилган қувур билан маҳаллий сўрғич ёрдамида амалга оширилади. Чиқинди бункеридан маҳаллий сўриш билан ҳайдалаётган ҳаво сарфи 0,25 м3/с, сўргич қувури диаметри 125 мм бўлиши керак;
2) чиқиндиларни тозалагичдан пневмоташигичда чиқарилаётганда бирданига машина ҳам чангсизлантирилади. Бунда, битта тозалагич чиқинди бункеридан ҳайдалаётган ҳаво сарфи 0,5 м3/с, қувурнинг диаметри эса 160 мм га тенг бўлади.
УХК мажмуали тозалагичларини чангсизлантириш машинанинг ҳар бир секциясидан 0,25 м3/с ҳаво сарфида аспирация системасида амалга оширилади. Чангланган ҳавони сўриш машина секциясини охирги деворига бириктирилган диаметри 140 мм ли қувур орқали бажарилади.
ЧХ-3М2 ва ЧХ-5 тозалагичларни чангсизлантириш 0,4 м3/с ҳаво сарфида аспирациялаш эвазига эришилади. Чангланган ҳавони сўриш машина орқа деворига уланма ёрдамида бириктирилган диаметри 160 мм бўлган қувур воситасида бажарилади. Ҳар бир машинадан чанг чиқараётган қувурга шибер ўрнатилиши керак.
Пахтани тозалаш машиналари, тақсимот шнеклари ва тозалаш цехини бошқа маҳаллий чангли ҳавони сўргичлари қувурлари цехнинг УВЦ-22М вентиляторли ягона аспирациялаш системасига уланади.
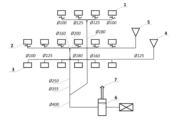
ЗХДДМ, ДП-130 аррали жинларни чангсизлантириш машинадан 0,1 м3 чангли ҳавони сўриш билан ПД таъминлагични аспирациялаш (2.1. Расм) эвазига амалга оширилади.
ПМП-160М, 5ЛП аррали линтерларни чангсизлантириш 0,1 м3/с ҳаво сарфи билан чангли ҳавони таъминлагичдан сўриш йўли билан бажарилади.

2.1. Расм. Жинлар ва линтерлар аспирация қувурларининг схемаси: 1- жинлар батареяси; 2- линтни 1-ажратиш линтерлар батареяси; 3- линтни 2- ажратиш линтерлар батареяси; 4,5 – пахта чигитларини тақсимлаш шнекларидан чангни сўриш; 6- чангли ҳавони сўриш вентилятори; 7- ишланган ҳавони циклонга ташиш қувури.
Жин ва линтерлар, шунингдек, пахта ва пахта чигитлари шнегидан чанг ҳавони маҳаллий сўргичлари ЦС-46 ёки УВЦ-22М вентиляторли умумий аспирациялаш системасига уланади.
ОВМ-А русумли толали материаллар тозалагичини чангсизлантириш чиқинди конвейеридан чиқиндини пневмоташигичда чиқариб ташлаш эвазига эришилади. Бунда ҳаво ўтказгич қувури диаметри 140 мм, ҳаво сарфи миқдори 0,25 м3/с га тенг бўлади.
Иш зонасини чангланганлигини камайтириш мақсадида технология ускуналарини чанг чиқиши мумкин бўлган жойларида қуйидагилар бажарилиши:
– айланаётган қуритгич барабанини отқинди шахтасига бириктирилган жойи иссиқликка чидамли резина билан жипслаб зичланиши;
– пахта хом-ашёсини қуритгичдан транспорт ускунасига тушаётган жойи ёпгич ўрнатилиб беркитилиши;
– пахта хом-ашёсини конвейердан конвейерга тушаётган жойига чангли ҳавони сўргичли ёпгич ўрнатилиши;
– пахта хом-ашёсини майда чиқиндилардан тозалагичлардан конвейерга тушаётган жойига ёпгич ўрнатиш;
– жин ва линтерлардан чигитлар конвейерига чигитлар тушаётган жойни жипс герметиклаш керак.
Жин-линтер цехини чангланганлигини пасайтириш ва ҳаво айланиш карралигини камайтириш учун, 1ВП ёки 3ОВП-М тола тозалагичлар батареясига ва жин-линтер батереясида ўрнатилган барча сўриш вентиляторларига ҳавони ташкилий келтирилишини таъминлаш керак.
2.7. Электр токи, параметрлари, хавф манбалари, одамга таъсири ва ундан ҳимоялаш
Одам организмига электр токининг термик таъсирида организмнинг тўқималари ва биологик муҳити қизийди, бу бутун организмни қизишига олиб келади, натижада организмдаги алмашиниш жараёнларини бузилиши ва унга боғлиқ нормадан четланишлар вужудга келади. Электролитик таъсирда қонни, плазмаларни ва организмни бошқа физиологик эритмаларини ажралиши содир бўлади, бундан сўнг улар ўз фаолиятларини бажара олмайдилар. Биологик таъсир асаб толаларини ва бошқа органларни ғашланишига ва қўзғатилишига олиб келади.
Электр токи билан шикастланишнинг иккита тури: электр жароҳатланишлар ва ток уришлар фарқланади. Электр жароҳатланишларга қуйидагилар киради:
электрдан куйиш – электр токи тегиш нуқтасига иссиқлик таъсири натижаси;
электр белгиланиши – терини ўзига хос шикастланиши, юқори қатламни қаттиқлашиши ва жонсизланиши;
терини металлашуви – терига кичик металл заррачаларининг кириб жойлашиши;
электрофтальпия – электр ёйини ультрабинафша нурланиши таъсиридан кўз ташқи қаватини шамоллаши;
механик шикастланиш, ток таъсири остида мускулларнинг мажбурий қисқаришидан пайдо бўлади.
Организмни электр токи билан шикастланиши оқибатида тирик тўқималарни қўзғатилиши мускулларни сесканишли қисқариши билан ўтишига электр уриши дейилади. Содир бўлиш оқибатига боғлиқ ҳолатда электр уриши тўрт даражага бўлинади: I – ҳушни йўқотишсиз мускулларни сесканишли қисқариши; II – ҳушсиз мускулларни сесканишли қисқариши, лекин нафас олиш ва юрак ишлаши давом этади; III – ҳушни йўқотиш ва юрак фаолияти ёки нафас олиш бузилади; IY – клиник ўлим ҳолати.
Электр токи билан шикастланиш оғирлиги кўпчиллик омилларга: ток кучи, одам танасининг электр қаршилиги, тана орқали ток ўтишининг давомийлиги, ток тури ва частотаси, одамни шахсий хусусиятлари, атроф муҳит шароитларига боғлиқ. Одамни у ёки бу даражадаги шикастланишини аниқловчи асосий омил – ток кучи бўлади. Унинг одамга таъсирини тавсифлаш учун учта мезон ўрнатилган: сезиладиган порог токи – сезиладиган сескантириш келтириб чиқарадиган токнинг энг кам қиймати; қўйиб юбормайдиган порог токи – мускулларни сесканишли қисқаришини келтириб чиқарадиган, шикастланувчи ўзи озод бўла олмайдиган токнинг қиймати; фибриляция порог токи – юрак фибриляциясини келтириб чиқарадиган токнинг қиймати. Юрак мускуллари толаларини хаотик ва турли вақтлардаги қисқаришидан, унинг ишлашини тўлиқ бузилишига фибриляция дейилади.
Жароҳат оқибати одам танаси қаршилигига боғлиқ бўлади. Энг кўп қаршиликка жонсиз кератинлашган ҳужайралардан тузилган терини устки қатлами эга бўлади. Танани умумий қаршилиги терини устки қатламини қаршилиги эвазига етарлича катта бўлади, лекин бу қатлам шикастланиши билан – унинг қиймати тезда камаяди.
Токнинг таъсирини давомийлигини узоқлиги жароҳат оқибатини деярли белгилайди, чунки вақт ўтиши билан одам терисини қаршилиги тез камаяди, юракни жароҳат олиш эҳтимоли кўпаяди ва бошқа салбий оқибатлар вужудга келади. Токнинг юрак, ўпка ва бош мия орқали ўтиши жуда хавфли бўлади. Жароҳатланиш даражаси ток тури ва частотасига ҳам боғлиқ бўлади. Частотаси 20—1000 Гц бўлган ўзгарувчан ток энг хавфли бўлади. Кучланиш 300 В гача ўзгарувчан ток ўзгармас токдан хавфлироқ. Катта кучланишларда ўзгармас ток хавфлироқдир.
Одамнинг электр токи билан жароҳатланиши қуйидаги ҳолларда бўлиши мумкин:
ердан изоляцияланмаган одамни кучланиш остида бўлган электрускуналарни ток ўтказувчан қисмларига тегиб кетиши;
ердан изоляцияланмаган одамни кучланиш остидаги электрускуналарни изоляцияланмаган ток ўтказувчан қисмларига хавфли масофага яқинлашуви;
ердан изоляцияланмаган одамни электрускуналарни кучланиш остидаги корпусига туташишидан кучланиш остида қолган ток ўтказмайдиган металл қисмларига, тегиб кетиши;
одамни ток тарқалиш майдонининг турли потенциаллари остида бўлган ерни (полни) иккита нуқтаси билан уланиши («қадам кучланиши»);
яшин уриши;
электр ёйининг таъсири;
кучланиш остида қолган бошқа одамни қутқариши.
Электрускуналари деганда электр энергиясини ишлаб чиқариш, узатиш, тарқатиш ва ўзгартириш учун мўлжалланган машиналар, аппаратлар, линиялар ва қўшимча ускуналар (улар ўрнатилган хоналар билан) тўплами тушунилади. Улар 1000 В гача ва 1000 В дан юқори кучланишли электрускуналарга бўлинади, уларнинг иккаласи ҳам изоляцияланган ва ерлатилган нейтраллар билан эксплуатация қилиниши мумкин. Изоляцияланган нейтрал деб ерлатиш қурилмасига уланмаган ёки унга сигналлаш, ҳимоя, назорат ва ш.ў. приборлар орқали уланган трансформатор ёки генераторнинг нейтралига айтилади. Агар нейтрал ерлатиш қурилмасига бевосита ёки кичик қаршилик орқали уланган бўлса у ерлатилган дейилади.
Одамни электр токи билан жароҳатланиш хавфини кўпайтирадиган ёки камайтирадиган шароитларга боғлиқ равишда барча хоналар хавфи юқори хоналар, жуда хавфли ва хавфи юқори бўлмаган хоналарга бўлинади. Хавфи юқори хоналарга намлиги юқори (75% дан кўп) ёки юқори ҳароратли (35о дан баланд) хоналар киради. Ток ўтказувчан чанглар ва поллари бўлган, шунингдек бир пайтнинг ўзида ер ва электрускунани металл корпуси билан боғланган элементларга тегиш имконияти бўлган хоналар хавфи юқори синфга қарайди. Нисбий намлиги юқори (100% га яқин), кимёвий фаол муҳитли ёки бир пайтнинг ўзида хавфи юқори хоналарга мос икки ва ундан кўп шароитлари бўлган хоналар жуда хавфли дейилади. Хавфи юқори бўлмаган хоналарда барча кўрсатилган шароитлар бўлмайди.
Электрускуналар фойдаланилаётган барча жойларда электр токи билан жароҳатланиш хавфи мавжуд бўлади, шунинг учун хавфи юқори бўлмаган хоналарни хавфсиз хоналарга киритиш мумкин эмас.
Ҳаёт фаолиятини хавфсизлигини таъминлаш учун электрускуналарга хизмат кўрсатиш ва ишончли ишлатишда электрускуналарни техник эксплуатация қилиш қоидалари ва электржароҳатидан ҳимояланиш бўйича чораларга аниқ риоя қилиш керак. Шундай йўналишлардан бири хавфсиз – 12 ёки 36 В кучланишни қўллаш бўлади. Уни олиниши учун 220 ёки 380 В стандарт кучланишли электр занжирига уланадиган пасайтирувчи трансформаторлардан фойдаланилади. Одамни электр токи билан шикастланиш хавфини камайтириш мақсадида 42 В дан кўп бўлмаган кичик номинал кучланишдан фойдаланилади. У электрлаштирилган қўл асбоблари, кўчма ёритгичлар ва хавфи юқори хоналар ва жуда хавфли хоналарда маҳаллий ёритишда электр манбаси сифатида қўлланилади. Лекин, шу паст кучланиш ҳам хавфсизликни кафолатламайди, шунинг учун бошқа ҳимоя воситалари ҳам қўлланилиши керак бўлади.
Электрхавфсизлиги бўйича электр ускуналар кучланиш бўйича: 1 кВ ва унгача, 1 кВ дан юқори, шунингдек 42 В дан кўп бўлмаган паст кучланишли ускуналарга бўлинади. Одамни бехосдан электрускуналарни ток ўтказувчан қисмларига тегиб кетишидан ҳимоялаш учун хавфли ускуна ёки очиқ ток ўтказувчан шиналарнинг бевосита яқинида жойлаштирилган кўчма шитлар кўринишидаги тўсиқлардан, деворчалар ва экранлардан фойдаланилади. Тўсиқ (чегаралагич) ишловчини назоратсиз силжишига халақит беради ва унинг хавфли зонага ўтишини бартараф қилади.